Sari la conținut

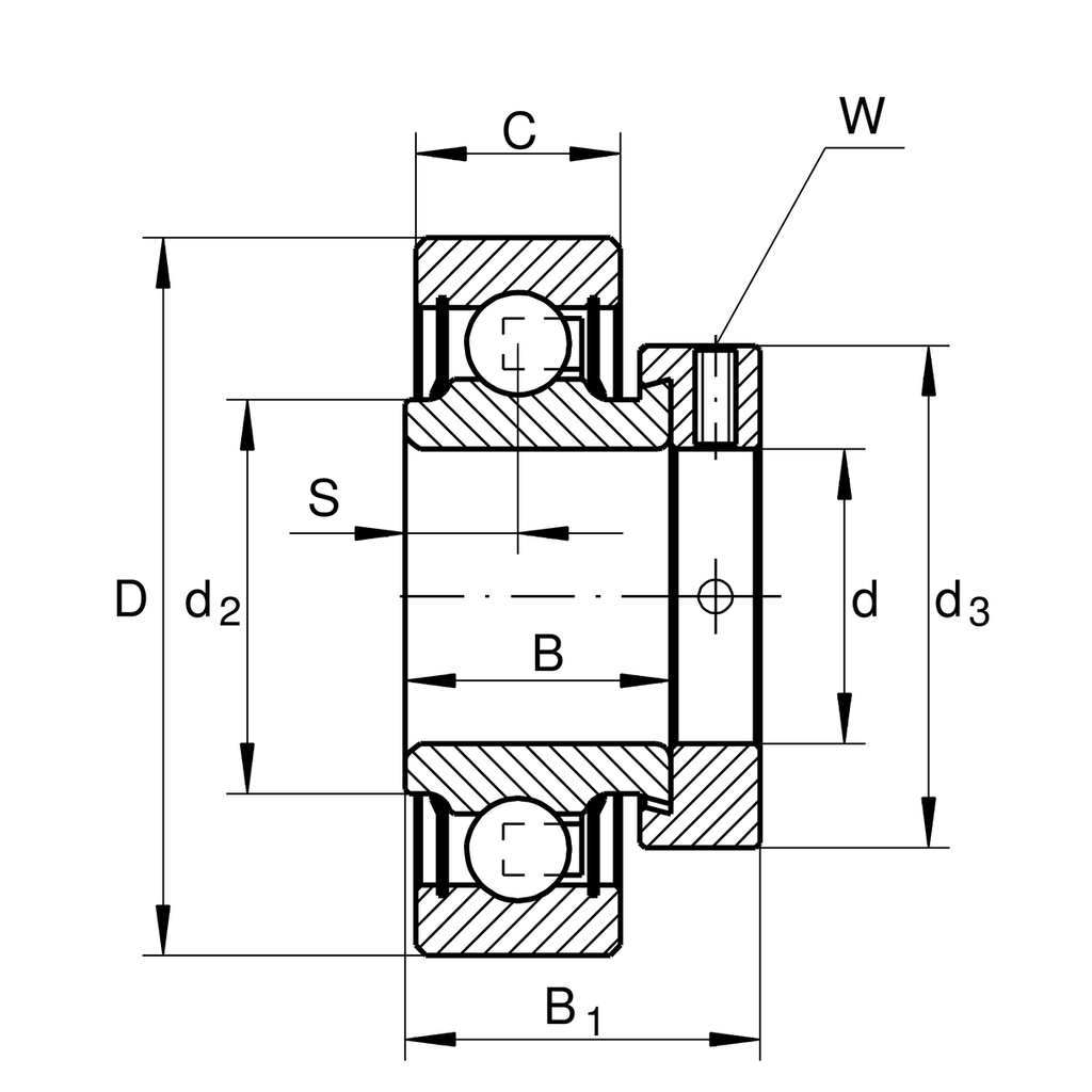
Rulment INA RAE40-XL-NPP-FA106

https://agrotrac.odoo.com/web/image/product.template/184357/image_1920?unique=26cc8bd
(0 recenzie)

246,28 lei 246.28 RON 246,28 lei Taxe incluse

Not Available For Sale

Această combinație nu există.

Termeni și condiții
Garanție de rambursare în 30 de zile
Expediere: 2-3 zile lucrătoare