Sari la conținut

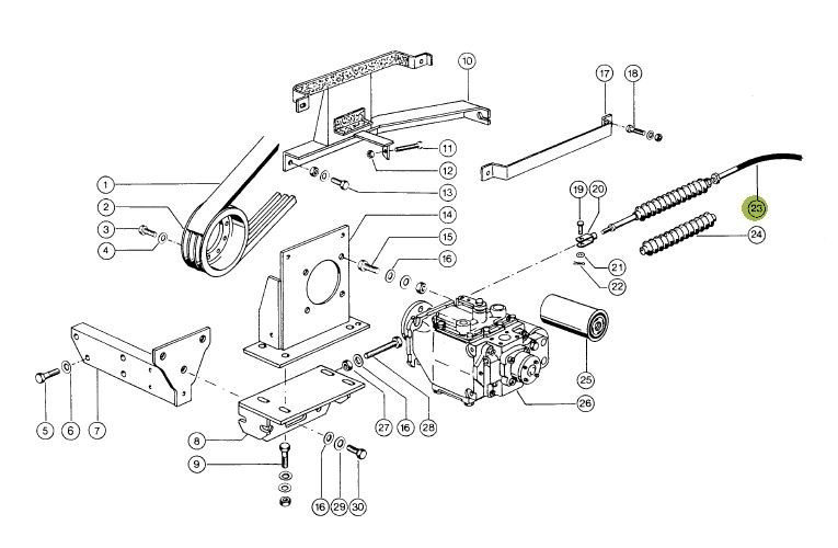
Cablu hidrostatic 672397.3 pentru Claas

https://agrotrac.odoo.com/web/image/product.template/181595/image_1920?unique=80601fd
(0 recenzie)

545,45 lei 545.45 RON 545,45 lei Taxe incluse

Not Available For Sale

Această combinație nu există.

Termeni și condiții
Garanție de rambursare în 30 de zile
Expediere: 2-3 zile lucrătoare

Cablu hidrostatic 672397.3 pentru Claas. Piesă pentru combine agricole, rezistentă și fiabilă. Sună pentru consultanță și comandă cu livrare rapidă.