Sari la conținut

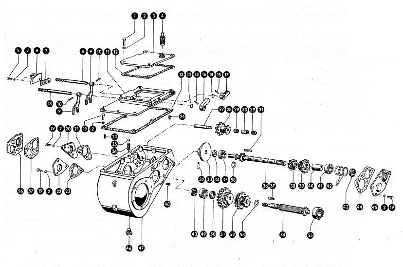
Ax cutie 788801.0 pentru Claas

https://www.agrotrac.ro/web/image/product.template/185427/image_1920?unique=f27a23f
(0 recenzie)

545,45 lei 545.45 RON 545,45 lei Taxe incluse

Not Available For Sale

Această combinație nu există.

Termeni și condiții
Garanție de rambursare în 30 de zile
Expediere: 2-3 zile lucrătoare

Ax cutie 788801.0 pentru Claas. Piesă pentru combine agricole, rezistentă și fiabilă. Sună pentru consultanță și comandă cu livrare rapidă.